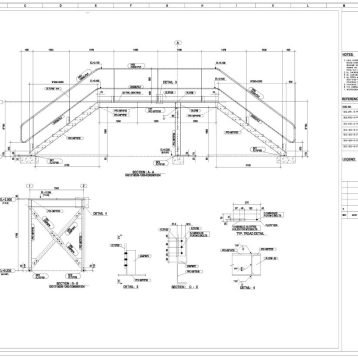
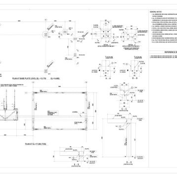
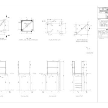
Asia Infotech provides complete steel platform detailing including beams, columns, gratings, handrails, and connection details. Our drawings ensure structural integrity and ease of fabrication. We coordinate access requirements, load conditions, and erection sequences. This results in safe, reliable, and installation-friendly platform systems











