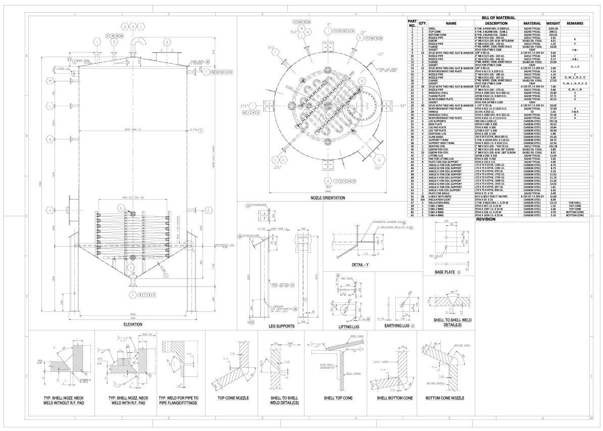
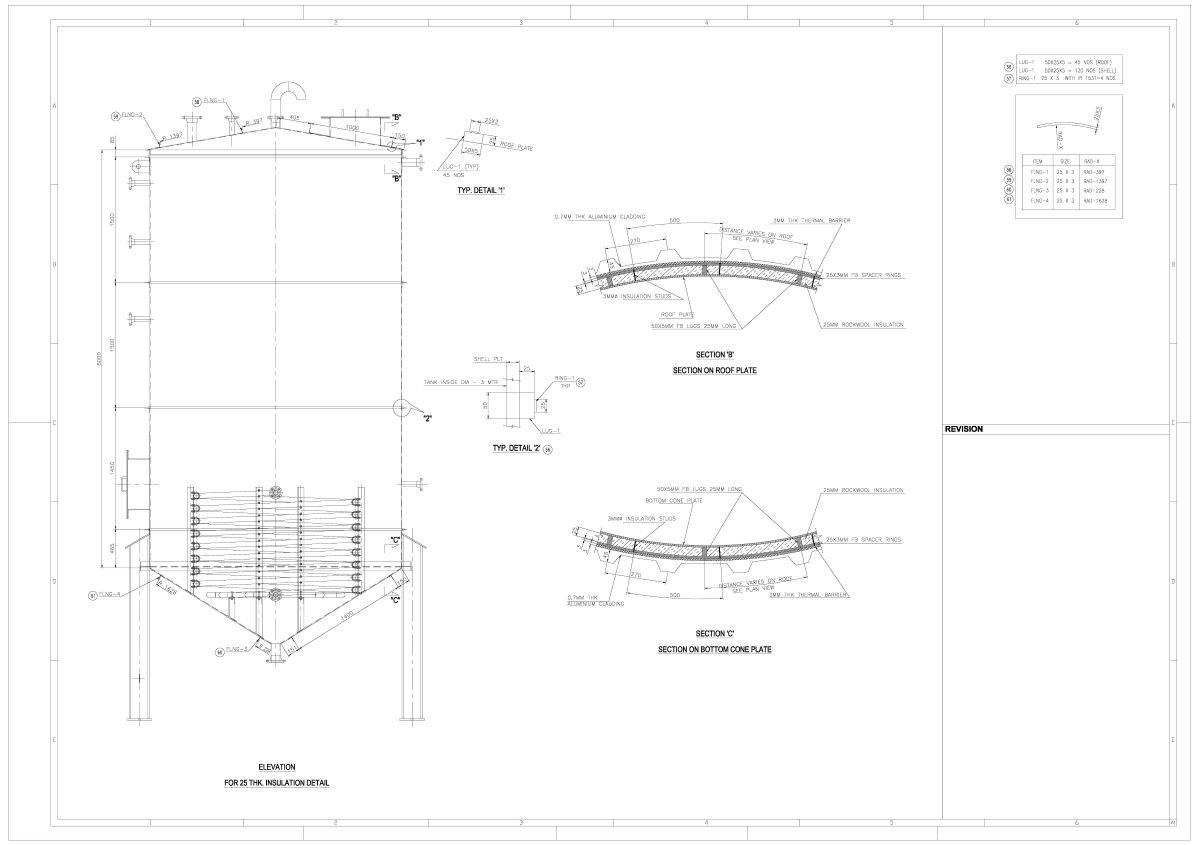
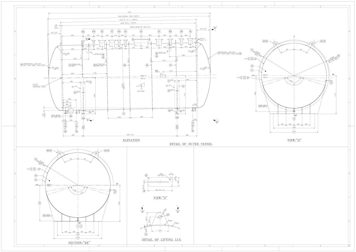
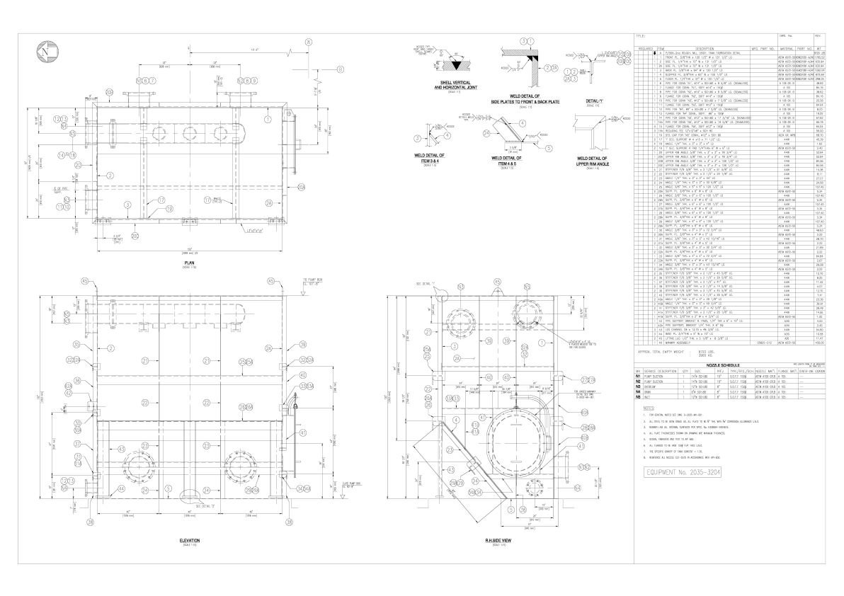
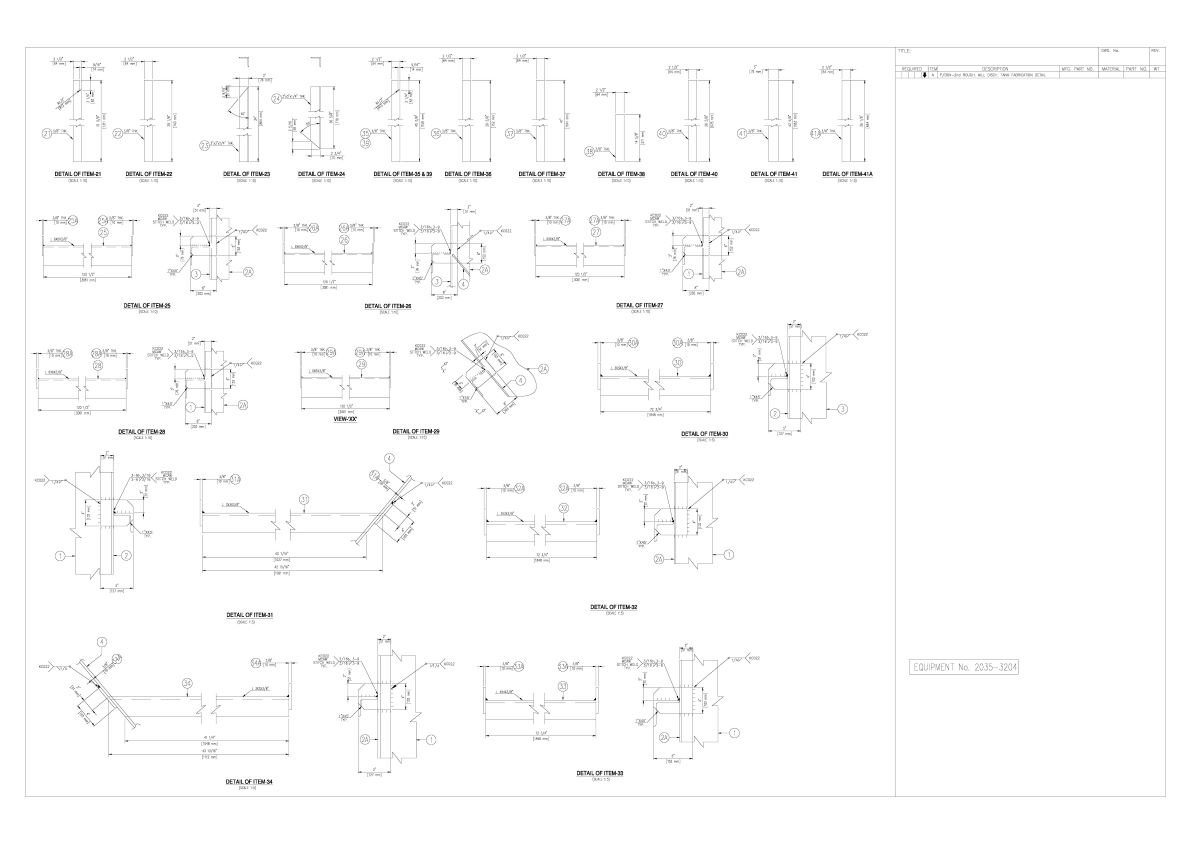
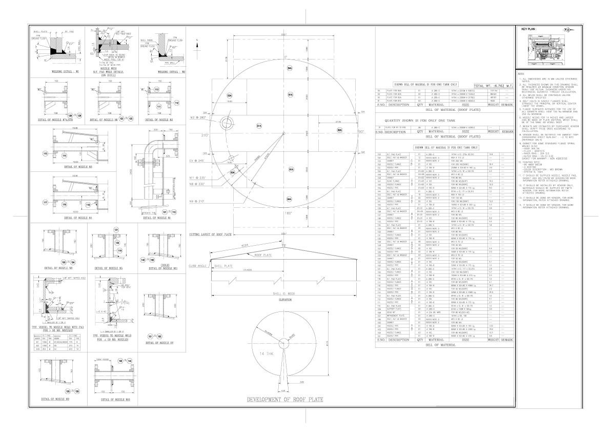
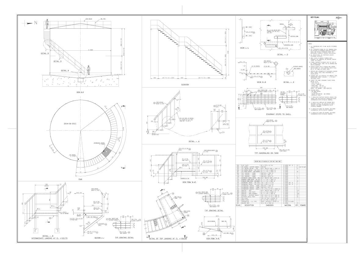
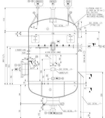
Mechanical Tank Modelling - Mechanical Engineering
We provide complete mechanical tank modelling, including shell development, nozzle layout, reinforcement pads, and fabrication-ready drawings. Our designs ensure safety, manufacturability, and code compliance. 3D models improve coordination with piping and structural elements. The detailing process reduces on-site modifications and speeds project delivery



















